你好,欢迎来到Morcato德国玛托 - 工业服务专家!
周一至周五 9:00 -- 17:30 会员中心| 积分商城 | 收藏玛托
免费电话
 免费注册 询价咨询

所有产品分类

电工仪表

电工仪表

手动工具

手动工具

材料加工

材料加工

劳动防护

劳动防护

量具量仪

量具量仪
三爪拉马( 商品编号: 12-5)
三爪拉马
商品名称: 三爪拉马
商品编号: 12-5
商品品牌: KUKKO
如果您想购买此商品,或需要咨询此商品相关信息,请联系我们的销售代表。

电话: +86 21 6401 5907,  6401 5908,  6401 5909
传真: +86 21 6401 7868
邮箱: sales#morcato.com (阁下如需使用此邮箱,请把"#"替换为"@")
商品详细信息  
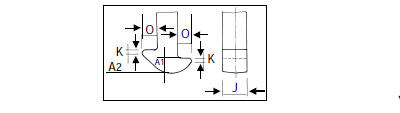
用于拆卸350mm以下,深度275mm以内的轴承和齿轮
三爪捋子
商品规格说明 (12-5)
三爪拉马 产品编号三爪拉马 规格说明
12-5直径宽度350mm,深度275mm
相关同类产品